Ekoinstal.ro actualizează constant informațiile pentru produse, pentru a asigura acuratețea datelor. Fotografiile au rol ilustrativ și pot conține accesorii neincluse în pachet. Detaliile tehnice pot suferi modificări fără notificare, iar ofertele sunt valabile în limita stocului disponibil.
Facilitati: 
						
													
                     
                     
Durata de livrare: 1-5 zile lucratoare
PACHET CONSUMABILE OSMOZA INVERSA CU 6 CARTUSE test
									
										
																					1 x STERILIZATOR CU ULTRAVIOLETE ECOLIGHT 30W EL-10GPM
										
																					
											
											1 x SET 3 CARTUSE FILTRANTE 10  PENTRU PUR3/OSMOZA INVERSA AQUA07000810003 AQUAPUR VALHOH VALROM
																						
											
											1 x POSTCARTUS QUICK REMINERALIZARE PENTRU STATIE OSMOZA INVERSA AQUA07004010000 AQUAPUR VALHOH VALROM
																						
											
											1 x POSTCARTUS QUICK CARBUNE ACTIV PENTRU STATIE OSMOZA INVERSA AQUA07003010000 AQUAPUR VALHOH VALROM
																						
											
											1 x MEMBRANA OSMOZA INVERSA 50GPD AQUA07002000050 AQUAPUR VALHOH VALROM
																						Sterilizatoarele cu lampi UV sunt special construite pentru a elimina din apa bacteriile, virusurile, algele si fungii, prin iradierea apei cu raze ultraviolete. Apa rezultata este sigura din punct de vedere bacteriologic fara folosirea de substante chimice, deci in mod natural, fara a genera reziduuri.
Eficienta sistemelor cu UV este strict legata de compozitia apei care trebuie sterilizata.
Recomandam sa scoateti din priza sterilizatorul in momentul in care sunteti plecat de acasa pentru mai mult timp.
Se va instala un filtru cu lampa UV doar in cazul in care:
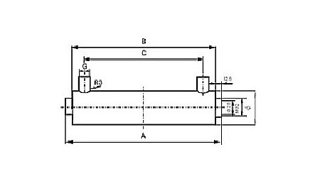
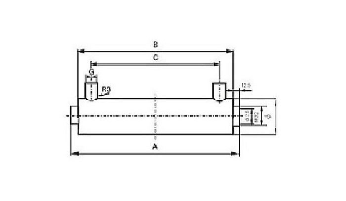
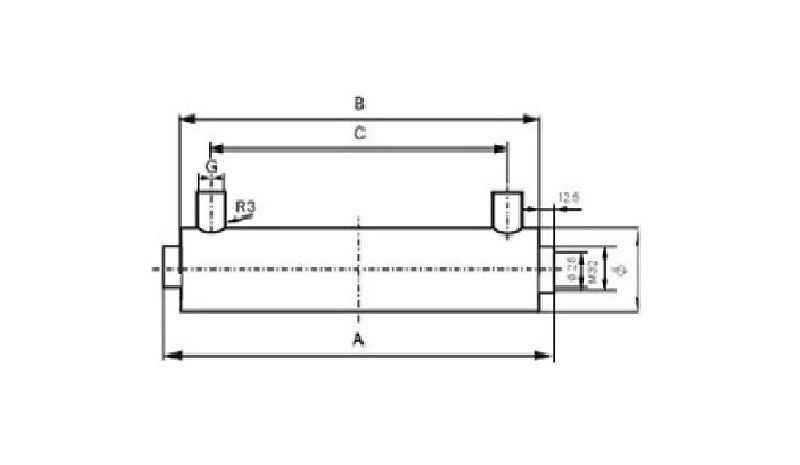
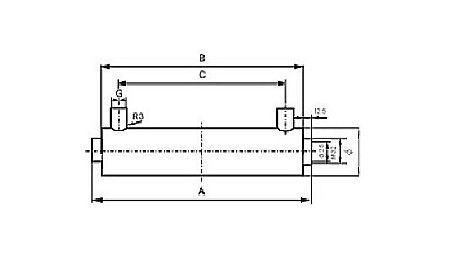
Sterilizatorul cu lampa UV a fost proiectat astfel incat se poate monta vertical/orizontal si cu intrarea pe la un capat sau pe la celalalt functie de viteza specifica de curgere prin sterilizator.
Ideal, se monteaza in pozitie verticala si cu conectorul lampii in partea de sus a filtrului.
Momentan, informatiile despre siguranta produsului nu sunt disponibile.
Momentan, informatiile despre producator nu sunt disponibile.
Momentan, informatiile despre persoana responsabila nu sunt disponibile.
STERILIZATOR CU ULTRAVIOLETE ECOLIGHT 30W EL-10GPM - Fisa tehnica
Descarca
						
						
									
								
											
																																																									
												
											
																																		
						
						
									
								
						
						
									
								
						
						
									
								Ultimele produse vizualizate
Newsletter Nu rata ofertele si promotiile noastre
Compara produse
Trebuie sa mai adaugi cel putin un produs pentru a compara produse.
A fost adaugat la favorite!
A fost sters din favorite!