ekoinstal.ro depune eforturi constante pentru a oferi informații corecte și actualizate despre fiecare produs. Imaginile au caracter informativ și pot include accesorii care nu fac parte din pachetul standard. Specificațiile tehnice pot fi modificate de producător fără notificare prealabilă. Promoțiile și ofertele Ekoinstal.ro sunt valabile în limita stocului disponibil.
Durata de livrare: 1-5 zile
PACHET CONSUMABILE OSMOZA INVERSA CU 6 CARTUSE test
1 x DISTRIBUITOR+COLECTOR 1-3/4 12 CAI CU DEBITMETRE EUROCON PEXKIT VALROM 66421201600
1 x SET 3 CARTUSE FILTRANTE 10 PENTRU PUR3/OSMOZA INVERSA AQUA07000810003 AQUAPUR VALHOH VALROM
1 x POSTCARTUS QUICK REMINERALIZARE PENTRU STATIE OSMOZA INVERSA AQUA07004010000 AQUAPUR VALHOH VALROM
1 x POSTCARTUS QUICK CARBUNE ACTIV PENTRU STATIE OSMOZA INVERSA AQUA07003010000 AQUAPUR VALHOH VALROM
1 x MEMBRANA OSMOZA INVERSA 50GPD AQUA07002000050 AQUAPUR VALHOH VALROM
PACHET INCALZIRE IN PARDOSEALA PLACA NUTURI VALROM 120MP
1 x KIT PARDOSEALA GRUP AMESTEC INCALZIRE PARDOSEALA CU POMPA MINI 1 PEXKIT VALROM
1 x DISTRIBUITOR+COLECTOR 1-3/4 12 CAI CU DEBITMETRE EUROCON PEXKIT VALROM 66421201600
2 x TEAVA PEX PE-RT TIP D. 16X2,0MM COLAC 500M FARA BARIERA OXIGEN PEXKIT VALROM
1 x CUTIE DISTRIBUITOR METAL TIP DULAP COLECTOR 1200X550X110-170 PEXKIT VALROM 66911205511
10 x PLACA VALTHERMIO TERMOIZOLANTA NEAGRA 1200X710X40/20 MM THERMOSIR 64192069040
2 x TEAVA PEX PE-RT TIP D. 16X2,0MM COLAC 100M FARA BARIERA OXIGEN PEXKIT VALROM
5 x BANDA PERIMETRALA AUTOADEZIVA 130X8 L=25M PEXKIT VALROM
1 x ADITIV SAPA VALTHERMIO BIDON 10 KG 64192000012
1 x KIT GOLIRE AERISIRE COLECTOR DISTRIBUITOR 1 QUADRO PEXKIT VALROM 64210001132
12 x SET ADAPTORI VALTHERMIO EUROCON "J" PENTRU COLECTORI D.16X2X3/4" 64200016021
24 x CURBA CONDUCATOARE 16 PLASTIC PEX PPSU PEXKIT
PACHET INCALZIRE IN PARDOSEALA PLACA TAKER 120MP VALROM
1 x KIT PARDOSEALA GRUP AMESTEC INCALZIRE PARDOSEALA CU POMPA MINI 1 PEXKIT VALROM
1 x DISTRIBUITOR+COLECTOR 1-3/4 12 CAI CU DEBITMETRE EUROCON PEXKIT VALROM 66421201600
2 x TEAVA PEX PE-RT TIP D. 16X2,0MM COLAC 500M FARA BARIERA OXIGEN PEXKIT VALROM
1 x CUTIE DISTRIBUITOR METAL TIP DULAP COLECTOR 1200X550X110-170 PEXKIT VALROM 66911205511
12 x PLACA TAKER TERMOIZOLANTA RULOU 10000X1000X25 BAX 10 MP 10BUC PEXKIT VALROM
2 x TEAVA PEX PE-RT TIP D. 16X2,0MM COLAC 100M FARA BARIERA OXIGEN PEXKIT VALROM
6 x BANDA PERIMETRALA AUTOADEZIVA 130X8 L=25M PEXKIT VALROM
1 x ADITIV SAPA VALTHERMIO BIDON 10 KG 64192000012
1 x KIT GOLIRE AERISIRE COLECTOR DISTRIBUITOR 1 QUADRO PEXKIT VALROM 64210001132
5 x CLEME TAKER 300 BUC/CUTIE VALTHERMIO 16-20 VALROM 64192000004
24 x SET ADAPTORI VALTHERMIO EUROCON "J" PENTRU COLECTORI D.16X2X3/4" 64200016021
24 x CURBA CONDUCATOARE 16 PLASTIC PEX PPSU PEXKIT
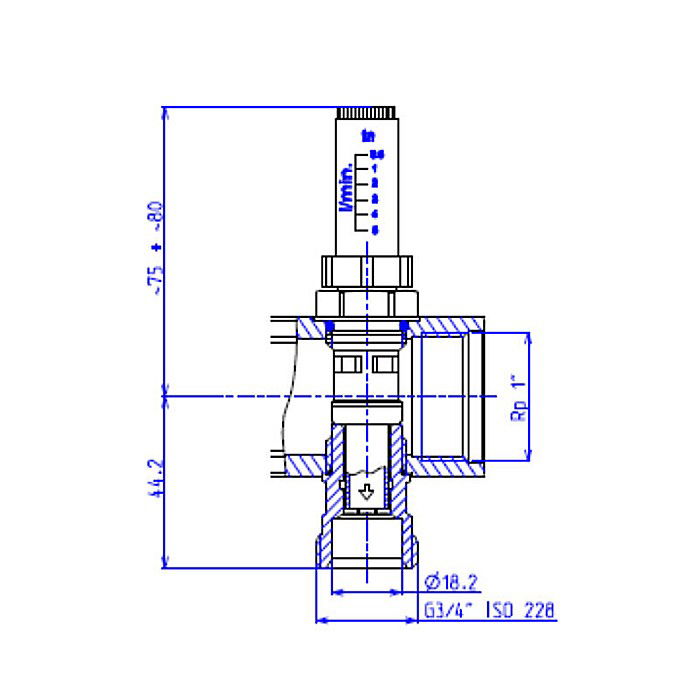
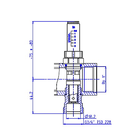
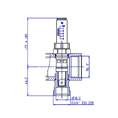
In instalatii de incalzire/racire prin pardoseala dar si pentru incalzirea cu radiatoare. Realizeaza distributia agentului termic in serpentinele de la incalzirea prin pardoseala sau prin radiatoare precum si agentul racit in cazul racirii prin pardoseala.
Debitmetrul este o supapa de echilibrare pentru debit si cadere de presiune in functie de specificatiile din proiect. Pentru a asigura functionarea corecta a debitmetrului, va rugam sa respectati directia de curgere.



Momentan, informatiile despre siguranta produsului nu sunt disponibile.
Momentan, informatiile despre producator nu sunt disponibile.
Momentan, informatiile despre persoana responsabila nu sunt disponibile.
DISTRIBUITOR+COLECTOR 1-3/4 12 CAI CU DEBITMETRE EUROCON PEXKIT VALROM 66421201600 - Fisa Tehnica
DescarcaUltimele produse vizualizate
Newsletter Nu rata ofertele si promotiile noastre
Compara produse
Trebuie sa mai adaugi cel putin un produs pentru a compara produse.
A fost adaugat la favorite!
A fost sters din favorite!