Facilitati:
Durata de livrare: 10-15 zile lucratoare
PACHET CONSUMABILE OSMOZA INVERSA CU 6 CARTUSE test
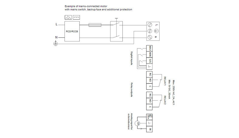
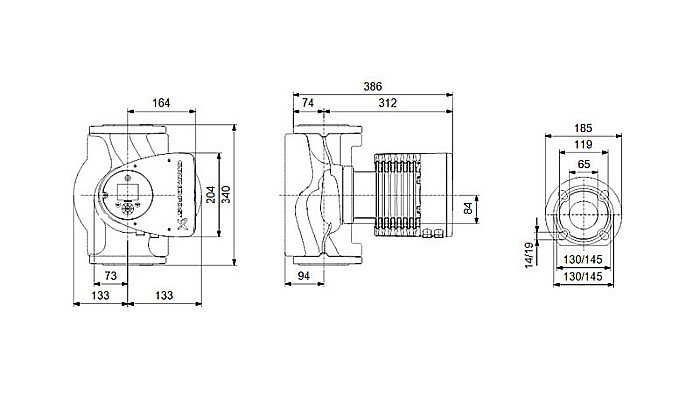
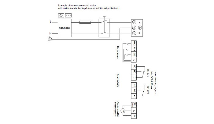
1 x POMPA RECIRCULARE GRUNDFOS MAGNA3 65-150 F N 340 CORP INOX 97924366
1 x SET 3 CARTUSE FILTRANTE 10 PENTRU PUR3/OSMOZA INVERSA AQUA07000810003 AQUAPUR VALHOH VALROM
1 x POSTCARTUS QUICK REMINERALIZARE PENTRU STATIE OSMOZA INVERSA AQUA07004010000 AQUAPUR VALHOH VALROM
1 x POSTCARTUS QUICK CARBUNE ACTIV PENTRU STATIE OSMOZA INVERSA AQUA07003010000 AQUAPUR VALHOH VALROM
1 x MEMBRANA OSMOZA INVERSA 50GPD AQUA07002000050 AQUAPUR VALHOH VALROM
Sistem ultrafiltrare apa PUR4 UF Aquapur Valhoh + Dozator apa
0 x POMPA RECIRCULARE GRUNDFOS MAGNA3 65-150 F N 340 CORP INOX 97924366
1 x DOZATOR APA AQUAPUR VALHOH ASEZARE PE BIROU S3HNC
1 x SISTEM ULTRAFILTRARE APA PUR4 UF AQUAPUR VALHOH VALROM AQUA04420411120
Pompa de circulatie Grundfos MAGNA3 este alegerea ideala pentru aproape orice proiect de constructie vechi sau nou.
Cu o eficienta energetica de neegalat, o gama cuprinzatoare si capacitati de comunicare incorporate, MAGNA3 este ideal pentru inginerii si specificatorii care doresc sa creeze sisteme de incalzire si racire de inalta performanta.
Pompa nu necesita intretinere datorita designului tip rotor conservat. Aceasta inseamna, de asemenea, ca pompa si motorul formeaza o unitate integrala fara etansare a arborelui si cu doar doua garnituri pentru etansare. Rulmentii sunt lubrifiati de lichidul pompat.
MAGNA3 are un afisaj intuitiv si va permite sa va conectati fara fir cu aplicatia Grundfos GO Remote, oferindu-va acces la raportare si monitorizare avansate. Pompa include comunicatii fieldbus prin module CIM, precum si intrari analogice si digitale si relee configurabile. Functiile de control includ AUTOADAPT si FLOWADAPT. FLOWADAPT care reduce necesitatea supapelor de limitare, reducand astfel costurile componentelor sistemului.
MAGNA3 este o pompa monofazata si se caracterizeaza prin faptul ca are controlerul si afisajul de control integrate in cutia de control. Pompa are, de asemenea, un senzor de presiune diferentiala si temperatura incorporat.
Carcasa pompei este disponibila atat in versiuni din fonta, cat si din otel inoxidabil.
Cutia rotor compozita este armata cu fibra de carbon, placa portanta si placarea rotorului sunt din otel inoxidabil, iar carcasa statorului este din aluminiu. Electronica de putere este racita cu aer.
MAGNA3 incorporeaza un motor sincron cu 4 poli, cu magnet permanent (motor PM). Acest tip de motor este caracterizat de o eficienta mai mare decat un motor conventional asincron cu colivie de veverita. Viteza pompei este controlata de un convertor de frecventa integrat.


Momentan, informatiile despre siguranta produsului nu sunt disponibile.
Momentan, informatiile despre producator nu sunt disponibile.
Momentan, informatiile despre persoana responsabila nu sunt disponibile.
POMPA RECIRCULARE GRUNDFOS MAGNA3 65-150 F N 340 CORP INOX 97924366 - FIsa tehnica
Descarca
Ultimele produse vizualizate
Newsletter Nu rata ofertele si promotiile noastre
Compara produse
Trebuie sa mai adaugi cel putin un produs pentru a compara produse.
A fost adaugat la favorite!
A fost sters din favorite!