ekoinstal.ro depune eforturi constante pentru a oferi informații corecte și actualizate despre fiecare produs. Imaginile au caracter informativ și pot include accesorii care nu fac parte din pachetul standard. Specificațiile tehnice pot fi modificate de producător fără notificare prealabilă. Promoțiile și ofertele Ekoinstal.ro sunt valabile în limita stocului disponibil.
Durata de livrare: 1-5 zile lucratoare
PACHET CONSUMABILE OSMOZA INVERSA CU 6 CARTUSE test
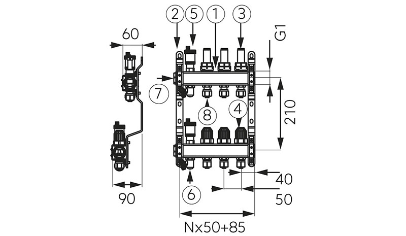
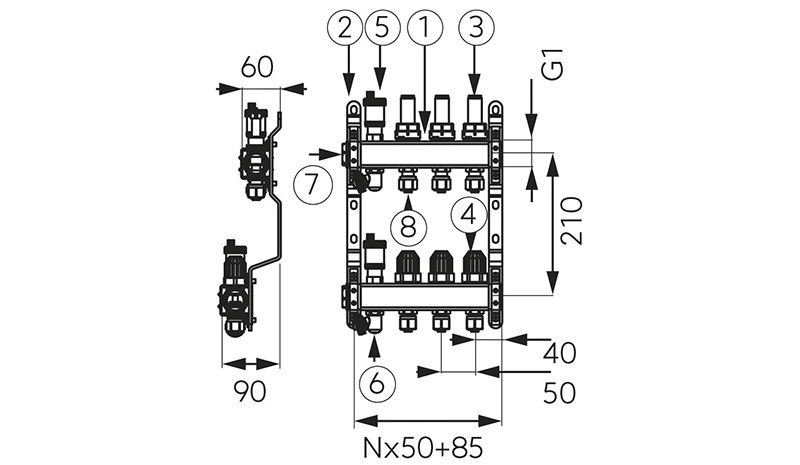
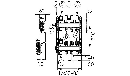
1 x DISTRIBUITOR COLECTOR 12 CAI FERRO SN-RZP12S INOX 1" CU DEBITMETRE RACORD 16X2MM
1 x SET 3 CARTUSE FILTRANTE 10 PENTRU PUR3/OSMOZA INVERSA AQUA07000810003 AQUAPUR VALHOH VALROM
1 x POSTCARTUS QUICK REMINERALIZARE PENTRU STATIE OSMOZA INVERSA AQUA07004010000 AQUAPUR VALHOH VALROM
1 x POSTCARTUS QUICK CARBUNE ACTIV PENTRU STATIE OSMOZA INVERSA AQUA07003010000 AQUAPUR VALHOH VALROM
1 x MEMBRANA OSMOZA INVERSA 50GPD AQUA07002000050 AQUAPUR VALHOH VALROM
PACHET INCALZIRE IN PARDOSEALA PLACA NUTURI FERRO 120MP
1 x COLAC TEAVA F-COMFORT PERT EVOH 16X2MM 500M CU 5 STRATURI FERRO
1 x GRUP DE AMESTEC GM2F CU POMPA ELECTRONICA 25-6-130 GPAII FERRO
1 x DISTRIBUITOR COLECTOR 12 CAI FERRO SN-RZP12S INOX 1" CU DEBITMETRE RACORD 16X2MM
9 x PLACA CU NUTURI PENTRU INCALZIRE IN PARDOSEALA 30MM 14,5 MP BAX FERRO
3 x COLAC TEAVA F-COMFORT PERT EVOH 16X2MM 250M CU 5 STRATURI FERRO
1 x CUTIE DISTRIBUITOR INGROPAT FERRO SZP-4 795/575-665/110-175
5 x BANDA PERIMETRALA AUTOADEZIVA 25M FERRO
Distribuitor colector pentru sisteme de incalzire in pardoseala

Momentan, informatiile despre siguranta produsului nu sunt disponibile.
Momentan, informatiile despre producator nu sunt disponibile.
Momentan, informatiile despre persoana responsabila nu sunt disponibile.
Ultimele produse vizualizate
Newsletter Nu rata ofertele si promotiile noastre
Compara produse
Trebuie sa mai adaugi cel putin un produs pentru a compara produse.
A fost adaugat la favorite!
A fost sters din favorite!