Toate informațiile despre produsele de pe ekoinstal.ro sunt verificate și actualizate periodic. Pot apărea diferențe între imagini și produsul real, iar specificațiile pot fi modificate de producător. Promoțiile sunt disponibile doar în limita stocurilor existente.
Durata de livrare: 1-5 zile lucratoare
PACHET CONSUMABILE OSMOZA INVERSA CU 6 CARTUSE test
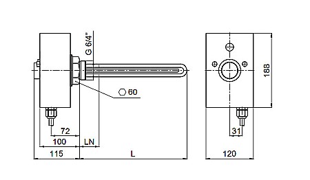
1 x REZISTENTA ELECTRICA REGULUS 3KW CU TERMOSTAT 11/2 L370MM CU TERMINAL NEINCALZIT 19043
1 x SET 3 CARTUSE FILTRANTE 10 PENTRU PUR3/OSMOZA INVERSA AQUA07000810003 AQUAPUR VALHOH VALROM
1 x POSTCARTUS QUICK REMINERALIZARE PENTRU STATIE OSMOZA INVERSA AQUA07004010000 AQUAPUR VALHOH VALROM
1 x POSTCARTUS QUICK CARBUNE ACTIV PENTRU STATIE OSMOZA INVERSA AQUA07003010000 AQUAPUR VALHOH VALROM
1 x MEMBRANA OSMOZA INVERSA 50GPD AQUA07002000050 AQUAPUR VALHOH VALROM
Rezistente nichelate cu cap termostatic si contactor, destinate incalzirii apei de incalzire statica sau a lichidului antigel in depozitele termice sau pentru incalzirea apei potabile in rezervoarele de apa calda.
Aceste elemente nu sunt destinate rezervoarelor din otel inoxidabil.
Ele sunt adecvate pentru incalzirea apei potabile in rezervoarele de apa calda rezervoare de apa calda.
Ele sunt concepute pentru a fi instalate in pozitie orizontala, astfel incât astfel incât elementul sa fie complet scufundat, racordul de cablu in jos. Sunt alimentate cu energie printr-un cablu cu 7 nuclee cablat la o cutie de borne sau la un tablou de sigurante.

Taxa verde: Pretul include taxa verde
Momentan, informatiile despre siguranta produsului nu sunt disponibile.
Momentan, informatiile despre producator nu sunt disponibile.
Momentan, informatiile despre persoana responsabila nu sunt disponibile.
Tip piesa: Rezistenta
Putere (W): 3 W
REZISTENTA ELECTRICA REGULUS 3KW CU TERMOSTAT 11/4 L370MM CU TERMINAL NEINCALZIT 19043 - Fisa produs EN
DescarcaREZISTENTA ELECTRICA REGULUS 3KW CU TERMOSTAT 11/4 L370MM CU TERMINAL NEINCALZIT 19043 - Manual instalare si utilizare EN
DescarcaREZISTENTA ELECTRICA REGULUS 3KW CU TERMOSTAT 11/4 L370MM CU TERMINAL NEINCALZIT 19043 - Fisa tehnica EN
DescarcaUltimele produse vizualizate
Newsletter Nu rata ofertele si promotiile noastre
Compara produse
Trebuie sa mai adaugi cel putin un produs pentru a compara produse.
A fost adaugat la favorite!
A fost sters din favorite!