Pe Ekoinstal.ro, informațiile despre produsele sunt atent verificate. Imaginile sunt cu titlu de prezentare, iar specificațiile pot fi modificate de producător fără preaviz. Ofertele și reducerile se aplică în funcție de stocul disponibil.
Facilitati:
Caracteristici: Pachete promotionale
Durata de livrare: 1-15 zile
UPA este o pompa compacta de repompare in linie de inalta eficienta, de uz casnic, proiectata pentru locuinte rezidentiale. UPA creste presiunea apei la nivelurile cerute in cazul dusurilor, robinetelor si altor puncte de alimentare.
Creste presiunea la apa in retea cu aproximativ 1 bar.
Grundfos UPA 15-90 este o pompa de presiune conceputa pentru cresterea presiunii apei potabile furnizate de la o sursa externa in casele rezidentiale. Pompele de presiune UPA cresc presiunea apei menajere pentru a face disponibila presiunea necesara la dusuri, robinete si la alte puncte.
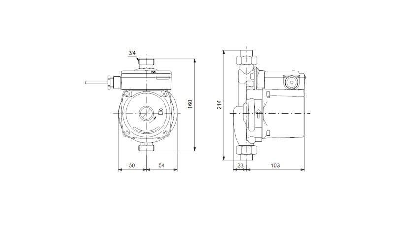
Aceasta pompa are un port de intrare si iesire de 3/4 inch. Presiune nominala a pompei corespunde cu PN 10 si cu o lungime port-la-port de 160 mm. UPA 15-90 ofera confortul presiunii constante a apei cu pornire si oprire automata. Aceasta este controlata de comutatorul integrat care asigura pornirea / oprirea optima a pompei de presiune in functie de cerere.
Designul este robust si se bazeaza pe materiale fara coroziune si carcasa pompei de fonta acoperita prin cataforeza pentru a asigura o viata lunga. Pompa este o pompa cu rotor umed in care pompa si motorul formeaza o unitate integrata fara etansare a arborelui. Aceasta pompa trebuie sa fie instalata intotdeauna cu arborele orizontal.Aceasta pompa de presiune are un motor cu 2 poli, asincron, in carcasa de veverita, cu protectie de impedanta incorporata si rezistenta la scurtcircuit. Rulmentii sunt lubrifiati de lichidul pompat. Aceste caracteristici constructive asigura functionarea fara intretinere.



BATERIE BUCATARIE FERRO BZA4G STATIVA CU PIPA FLEXIBILA ZUMBA VERDE
Culoare: Verde/crom
Tip actionare: Monocomanda
Tip montare: Pe blat
Ghid instalare - POMPA RIDICARE PRESIUNE APA RETEA UPA 15-90 AUTO 59539510 GRUNDFOS
Descarca