Pompa circulatie Wilo Yonos Maxo 30/0.5-7 180 mm
Pompa de circulatie cu rotor umed, motor sincron conform tehnologiei ECM si reglare electronica integrata a randamentului pentru reglarea continua a presiunii diferentiale. Utilizabil pentru toate aplicatiile de incalzire, de aerisire si de climatizare.
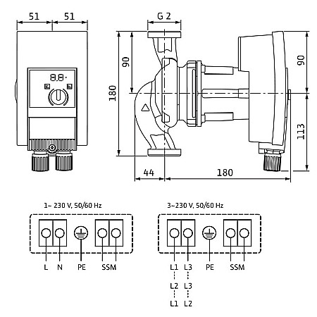
Dotare de serie:
- Moduri de reglare preselectabile pentru optimizarea sarcinii Δp-c (presiune diferentiala constanta), Δp-v (presiune diferentiala variabila)
- 3 trepte de turatie (n = constant)
- Afisaj cu leduri pentru reglarea valorii impuse si afisarea mesajelor de eroare
- Conexiune electrica cu stecher Wilo
- Lampi de avarie si contact pentru semnalizarea colectiva de avarie
La pompe cu flansa - variante cu flansa:
- Versiune standard pentru pompele DN 32 pana la DN 65: Flansa combinata PN 6/10 (flansa PN 16 conform EN 1092-2) pentru contraflansa PN 6 si PN 16
- Executie standard pentru pompele DN 80 / DN 100: Flansa PN 6 (PN 16 dimensionata conform EN 1092-2) pentru contraflansa PN 6
Specificatii tehnice
Date de functionare
- Temperatura fluidului pompat minim: -20 °C
- Temperatura fluidului pompat maxim: 110 °C
- Temperatura ambianta minim: -20 °C
- Temperatura ambianta maxim: 40 °C
- Presiune de lucru maxima: 10 bar
- Inaltime de intrare minima la 50 °C: 3 m
- Inaltime de intrare minima la 95 °C: 10 m
- Inaltime de intrare minima la 110 °C: 16 m
Date tehnice motor:
- Indice de eficienta energetica: ≤0.20 EEI
- Producere de perturbatii: EN 61800-3;2004+A1;2012/mediul rezidențial (C1)
- Rezistenta la perturbatii: EN 61800-3;2004+A1;2012/mediul industrial (C2)
- Alimentare electrica: 1~230 V, 50/60 Hz
- Puterea absorbita P1 max: 120 W
- Turatie minima: 1000 1/min
- Turatie maxima: 3700 1/min
- Grad de protectie motor: IPX4D
- Presetupa pentru cablu: 2 x M20x1.5

Materiale:
- Carcasa pompa: Fonta cenusie
- Rotor hidraulic: PPE/PS-GF30
- Arbore: Otel inoxidabil
- Depozit material: Carbon, impregnat cu metal
Dimensiuni de instalare
- Racord conducta la aspiratie: 2"
- Racord conducta pe refulare: 2"
- Lungime constructiva: 180 mm