Facilitati:



Durata de livrare: 1-5 zile lucratoare
PACHET CONSUMABILE OSMOZA INVERSA CU 6 CARTUSE test
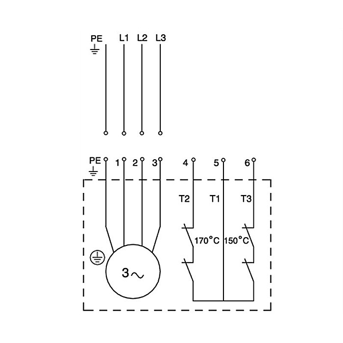
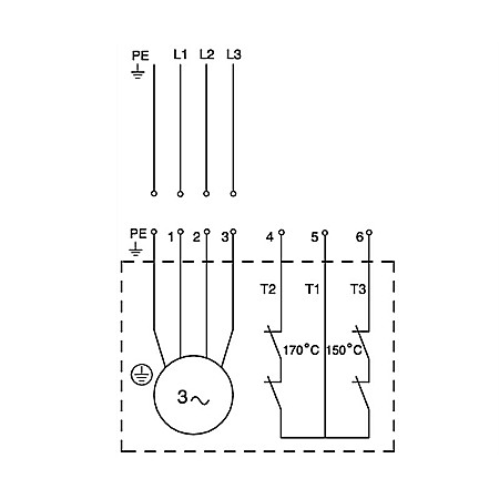
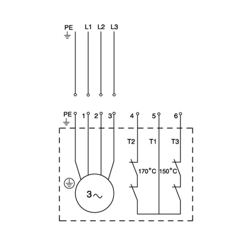
1 x POMPA APA MURDARA CU TOCATOR GRUNDFOS SEG 40.12.2.1.502 96075901
1 x SET 3 CARTUSE FILTRANTE 10 PENTRU PUR3/OSMOZA INVERSA AQUA07000810003 AQUAPUR VALHOH VALROM
1 x POSTCARTUS QUICK REMINERALIZARE PENTRU STATIE OSMOZA INVERSA AQUA07004010000 AQUAPUR VALHOH VALROM
1 x POSTCARTUS QUICK CARBUNE ACTIV PENTRU STATIE OSMOZA INVERSA AQUA07003010000 AQUAPUR VALHOH VALROM
1 x MEMBRANA OSMOZA INVERSA 50GPD AQUA07002000050 AQUAPUR VALHOH VALROM
Sistem ultrafiltrare apa PUR4 UF Aquapur Valhoh + Dozator apa
0 x POMPA APA MURDARA CU TOCATOR GRUNDFOS SEG 40.12.2.1.502 96075901
1 x DOZATOR APA AQUAPUR VALHOH ASEZARE PE BIROU S3HNC
1 x SISTEM ULTRAFILTRARE APA PUR4 UF AQUAPUR VALHOH VALROM AQUA04420411120
Pompele submersibile, tocatoare, de canalizare Grundfos SEG (0,9-4 kW) sunt proiectate pentru pomparea apelor uzate, a apei care contine namol si a apelor de la canalizare. Este prevazut cu un sistem de macinare brevetat, conceput pentru macinarea mediului pompat.
Pompele cu tocator Grundfos SEG sunt pompe centrifugale fara autoamorsare, cu o singura treapta, cu orificiu de evacuare orizontala, proiectate special pentru pomparea apei uzate continand reziduuri din toalete. Pompa este echipata cu un sistem tocator care macina particulele solide distructibile in bucati mici pentru a le conduce prin conducte cu un diametru relativ mic.
Pompele cu tocator SEG sunt ideale pentru utilizarea in zone slab populate, unde sistemele de canalizare gravitationale nu sunt disponibile. Exemple includ sate, zone agricole si zone cu diferente mari de nivel de teren, unde un sistem presurizat prezinta avantaje.
Pompa este fabricata din materiale rezistente la uzura, precum fonta si otel inoxidabil. Aceste materiale asigura o functionare de durata. Suprafata pompei este neteda pentru a preveni depunerea murdariei si impuritatilor. Clema din otel inoxidabil rezistent la coroziune fixeaza motorul de carcasa pompei si permite deservirea usoara a pompei. Sistemul SmartTrim permite reglarea usoara a jocului rotorului pentru a asigura eficienta maxima pe durata de viata a pompei.
Gama este proiectata sa reduca semnificativ consumul de energie si sa mentina costurile implicate de timpii de nefunctionare la minim, mentinand in acelasi timp performanta maxima pe toata durata de viata a sistemului.


Momentan, informatiile despre siguranta produsului nu sunt disponibile.
Momentan, informatiile despre producator nu sunt disponibile.
Momentan, informatiile despre persoana responsabila nu sunt disponibile.
POMPA APA MURDARA CU TOCATOR GRUNDFOS SEG 40.12.2.1.502 96075901 - Fisa tehnica
Descarca
Ultimele produse vizualizate
Newsletter Nu rata ofertele si promotiile noastre
Compara produse
Trebuie sa mai adaugi cel putin un produs pentru a compara produse.
A fost adaugat la favorite!
A fost sters din favorite!