Pompa apa centrifuga multietajata Grundfos CM 10-1 220V 97516576
CM este o pompa cu aspiratie axiala orizontala, fiabila, silentioasa si compacta. Conceptul modular al pompei faciliteaza realizarea de solutii personalizate. CM este disponibila in varianta din fonta si otel inoxidabil.
Potrivit pentru:
- Fertilizare chimica
- Pulverizare micro si prin picurare
- Protectie la inghet
- Captare apa subterana pentru irigare
- Adapare / Apa pentru animale
- Umezirea animalelor cu solutii solare
- Ridicare presiune pe pivot
- Solutii solare pentru agricultura
- Solutii de pompare apa bazate pe energie solara
- Captare si transfer apa de suprafata pentru irigare
- Aer conditionat cladiri comerciale
- Cresterea presiunii apei in cladiri comerciale
- Ridicarea presiunii apei domestice
- Termoficare
- Irigare
- Desalinizare
- Incalzire industriala
- Spalare si curatare
- Alimentare cu apa industrila
- Alimentarea cu apa comunitara
- Solutii solare comunitare
- Solutii solare municipale
- Distributia apei
Caracteristici:
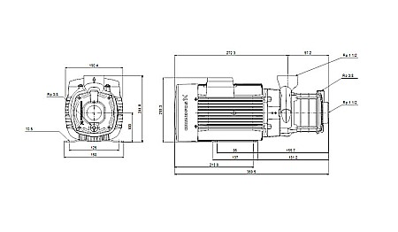
Pompa centrifuga compacta, fiabila, verticala, monobloc cu port axial de aspiratie si port radial de refulare.
Arborele, rotorul si camerele sunt realizate din otel inoxidabil.
Piesele de admisie si refulare sunt realizate din fonta. Etansarea mecanica a axului este o etansare cu inel O special conceputa, neechilibrata.
Cuplajul conductelor se realizeaza prin flanse cu fileturi de conducta Whitworth interne, Rp (ISO 7/1).
Pompa este echipata cu un motor 1 asincron, cu montare pe picior, racit cu ventilator.
Performanta

Motor

Specificatii tehnice:
Tehnic
- Viteza pompei pe care se bazeaza datele pompei: 2900 rpm
- Debit nominal: 10 m³/h
- Inaltime de pompare nominala: 13.67 m
- Rotoare: 1
- Cod pentru etansarea arborelui: AQQE
- Aprobari: CE, EAC, UKCA
- Aprobari pentru apa potabila: WRAS, ACS, NSF61
- Toleranta curbei: ISO9906:2012 3B
- Versiune pompa: A
- Model: A
Materiale
- Corpul pompei: Fonta (stator)
- Carcasa pompa: EN-GJL-200
- Carcasa pompei: ASTM A48-25A
- Rotor: Otel inoxidabil, EN 1.4301, AISI 304
- Cod material: A
- Cod pentru cauciuc: E
Instalatie
- Gama temperaturii ambientale: -20 - 55 °C
- Presiune de functionare maxima: 10 bar
- Presiune max la temp indicata: 10 bar / 90 °C
- Tip conexiune: Rp
- Dimensiunea racordului de aspiratie: 11/2 inch
- Dimensiunea racordului de refulare: 11/2 inch
- Pozitie iesire: 12
- Cod conexiune: R
Lichid
- Lichid pompat: Apa
- Gama temperaturii lichidului: -20 - 90 °C
- Temperatura lichidului in timpul functionarii: 20 °C
- Densitate: 998.2 kg/m³
Date electrice
- Motor standard: IEC
- Dimesniune cadru: 80A
- Putere nominala P2: 0.67 kW
- Frecventa retelei electrice: 50 Hz
- Potrivit pentru 50/60 Hz: N
- Tensiune nominala: 1 x 220-240 V
- Factor de service: 1.00
- Curent nominal: 4.4 - 4.0 A
- Curent de pornire: 390- 390 %
- Viteza nominala: 2720 - 2800 rpm
- Grad de protectie: IP55 (IEC 34-5)
- Clasa de izolare: F (IEC 85)
- Protectia motorului incorporata: Intrerupator termic (BI-Metal)
- Cablu inclus: Nu
Control
- Convertizor de frecventa: NU
Altele
- Pozitie cutie de conexiuni: 12
- Index minim de eficienta, MEI ≥: 0.7
- Greutate neta: 22.2 kg
- Greutate bruta: 24.7 kg
