In perioada sarbatorilor magazinele Ekoinstal (Berceni si Vidra) vor functiona dupa programul de sarbatori.

Regulus VANA DE ZONA CU 3 CAI 11/2 DN25 KVS=14.3M3/H REGULUS CU SERVOMOTOR DEVIERE L VZK R 325-230-1P-15L 19005

Regulus
1.066,63 RON

Toate informațiile despre produsele de pe ekoinstal.ro sunt verificate și actualizate periodic. Pot apărea diferențe între imagini și produsul real, iar specificațiile pot fi modificate de producător. Promoțiile sunt disponibile doar în limita stocurilor existente.

Facilitati:

Transport in Toata Tara
Transport Gratuit Bucuresti si Ilfov

In stoc

Durata de livrare: 3-15 zile lucratoare

Limita stoc
Adauga in cos
Cod Produs: 19005 Ai nevoie de ajutor? 0726 802 707
Adauga la Favorite Cere informatii Comanda rapida
  • Descriere
  • Download (2)
  • Review-uri (0)

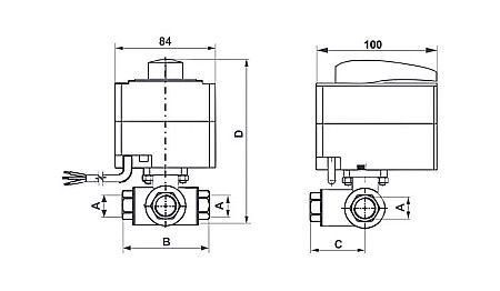
Vana de zona cu 3 cai 1 1/2 DN25 cu servomotor deviere L VZK-R 325-230-1P-15L

Are rolul de supapa de deviere pentru instalarea in sistemele de incalzire si in sistemele solare termice. Supapa nu intrerupe fluxul de fluid prin portul comun in timpul comutarii. Poate fi utilizata impreuna cu orice regulator sau termostat care are un contact de comutare de 230 V pentru a inchide tensiunea de comutare a dispozitivului de actionare. In cazul unei defectiuni a regulatorului sau a termostatului, actuatorul poate fi actionat manual

Lichide de functionare: Apa, apa/glicol(max. 1:1) sau apa/glicerina (max. 2:1)

Instalare si operare

  • Fluidul poate curge in ambele directii prin supapa (portul comun poate fi utilizat ca intrare sau iesire).
  • Directia de curgere a fluidului este indicata pe actuator sau printr-o canelura pe axul supapei (dupa demontarea actuatorului).
  • Pe actuator este plasata o eticheta care indica directia de curgere a fluidului in culoarea corespunzatoare pozitiei pârghiei.
  • Pozitia implicita, precum si sensul de rotatie pot fi modificate, consultati manualul de instructiuni.

Specificatii tehnice:

  • Presiune maxima de lucru: 10 bar
  • Diametru nominal: 25
  • Racord: 1 1/2"
  • Timp de inchidere/deschidere: 15 s
  • KVS: 14.3 m³/h
  • Temperatura maxima de lucru a fluidului: 110 °C
  • Unghiul de rotatie: 90
  • Temperatura de lucru ambianta: 5-40 °C
  • Diferenta de presiune maxima: 10 bar
  • Alimentare electrica: 230 V 50 Hz
  • Consumul maxim de energie: 4 VA
  • Curent max.: 17 mA
  • Cuplu de torsiune: 5 Nm
  • Grad de protectie: IP42
  • Clasa de protectie: II
  • Sectiunea transversala a cablului de alimentare: 3 x 0,5 mm².
  • Lungime cablu de alimentare: 2 m
  • Greutate: 1.8 kg
  • Dimensiuni:
    • B: 128 mm
    • C: 64 mm
    • D: 168 mm
Vezi mai mult

Taxa verde: Pretul include taxa verde

Informatii conformitate produs
  • VANA DE ZONA CU 3 CAI 11/2 DN25 KVS=14.3M3/H REGULUS CU SERVOMOTOR DEVIERE L VZK R 325-230-1P-15L 19005 - Fisa tehnica EN

    Descarca
  • VANA DE ZONA CU 3 CAI 11/2 DN25 KVS=14.3M3/H REGULUS CU SERVOMOTOR DEVIERE L VZK R 325-230-1P-15L 19005 - Manual instalare si utilizare EN

    Descarca
Daca doresti sa iti exprimi parerea despre acest produs poti adauga un review.

Review-ul a fost trimis cu succes.

Compara produse

Trebuie sa mai adaugi cel putin un produs pentru a compara produse.

A fost adaugat la favorite!

A fost sters din favorite!